隨著工業現代化程度的提高,環境意識的加強,在食品、化工處理、污水處理等行業,對離心機的依賴程度越來越高。而傳統的臥式離心機采用的是通用型變頻器加電磁制動器實現,離心機又是大慣量的設備(作過試驗,空載時自由停車時間長達十幾分鐘),這樣存在大量的能量浪費情況,采用艾默生TD3000高性能變頻器(現用艾默生EV5000代替)可以有效的解決上述問題。
系統組成
螺桿臥式離心機的基本構造如下圖所示:
主電機是22KW普通電機,副電機是5.5KW變頻電機,額定頻率為50HZ,TD2000(30KW)帶的主電機經皮帶驅動外面的轉鼓,電機轉速為1440轉/分,轉鼓速度為2390轉/分;由TD3000(5.5KW)變頻器驅動的副電機通過一個連接器帶動里面的螺桿轉軸,TD3000變頻器運行的最高速度可達到2390轉/分。
工作原理框圖
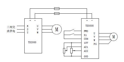
系統原理圖如下圖所示:
兩臺變頻器采用共直流母線的接線方式,TD2000變頻器作轉速控制,TD3000變頻器采用速度和轉矩可切換的控制方案,X1作速度和轉矩切換功能使用,AI1為速度給定,AI2轉矩給定。
當離心機工作時,轉鼓的速度始終略高于里面的螺桿轉軸。在制動的時候,由于螺桿轉軸的速度高于副電機的運行速度,副電機就處于發電工作狀態,向TD3000變頻器反饋能量,由于TD2000和TD3000變頻器是共用直流母線的,反饋回來的能量就可以進行利用。
系統分析及問題處理
由于兩臺變頻器共用直流母線,TD3000變頻器可以不采用三相輸入電源,而由TD2000變頻器直接供電,因此對TD2000變頻器要求就高一些,在選型時要適當放大。TD3000沒有三相電源,所以必須設置輸入缺相保護禁止功能。另外由于系統要作速度和轉矩工作模式的切換,因此需設置控制端子X1功能選擇F5.01為32(速度轉矩切換)。
結論
本方案的提出,在離心機行業引起較大的關注,極大地節約了能力,已經在食品、化
工、污水處理等行業得到了廣泛地應用。現在艾默生TD3000已經停產,艾默生變頻器EV5000代替。

收藏本站
聯系盟雄
網站地圖
在線留言
全國訂購熱線:




公司地址:廣州市天河區棠下科新路8號
全國訂購熱線:020-85543394
郵箱:gz-diamond@163.com